Press Releases

PERI in the press

A selection of our latest stories and releases

Learn more about the products, services and engineering expertise PERI can offer you to help solve your construction challenges and make your next project a success 

 

Latest News & Releases

    18
     
    Feb
     
    2025

    press article

    PERI at bauma 2025: Innovations for a future-proof construction industry

    The formwork and scaffolding manufacturer showcases a host of new developments.

    Under the motto “We are shaping the future together”, PERI will be showcasing the scope of its portfolio and presenting numerous innovations at the open-air north site (stand FN 718) from 7 to 13 April 2025 in Munich.
    17
     
    Apr
     
    2024
    The SCS Climbing System facilitates safe working processes in the lower and upper sections of the pylon.
    Two different PERI Climbing Systems enabled fast, safe and efficient construction of the unique pylon design: SCS and ACS.
    A major challenge: the cross-section of the pylon changes as the height increases – convex at the bottom and concave at the top.

    press article

    Above water and clouds: Danjiang Bridge reaches record-breaking proportions with PERI Systems

    The Danjiang Bridge over the Tamsui River on the outskirts of Taipei is taking giant strides towards record-breaking proportions. The structure, designed by Zaha Hadid, is expected to be the world’s longest asymmetric cable-stayed bridge upon completion in 2025, at an impressive 920.00 metres.
    05
     
    Mar
     
    2024
    PERI UP Decking
    PERI UP Rosett
    Gravity Lock

    press article

    Concrete commitment: long-time partners BKH and PERI agree on deal for superior scaffolding solution

    PERI Australia, a leading supplier of formwork, scaffolding and engineering equipment and services, and BKH Group, one of Australia’s leading formwork, scaffolding and concrete placement specialists, are delighted to announce a new investment partnership.
    13
     
    Feb
     
    2024
    The new high-rise building was completed in 2022 and is located in the purpose-built district of “Aarhus Ø”, not far from the centre of the city of the same name.
    The “Lighthouse 2.0” construction project has created new living space with 381 new flats across 44 floors.
    The Danish project received an award for the “Best Tall Building” in the “100 to 199 metres” category from non-profit organisation, the Council on Tall Buildings and Urban Habitat (CTBUH) in 2023.

    press article

    Award for Denmark's tallest residential building

    The “Lighthouse 2.0” construction project has created new living space with 381 new flats in the purpose-built district of “Aarhus Ø”, not far from the centre of the city of the same name. With its impressive height of 142 metres, the building has been the tallest residential building in Denmark since its completion in 2022. The top floors are home to a restaurant and a roof terrace that is open to the public – with fantastic views of the harbour, the sea and the city. The project has now received an award for the “Best Tall Building” in the “100 to 199 metres” category from non-profit organisation, the “Council on Tall Buildings and Urban Habitat” (CTBUH).
    13
     
    Dec
     
    2023
    A mixture of ballast and flexible modular scaffold was built around the historic monument. 3D visualisation of the complex structure helped to protect the statue. (3D model: PERI Iberia)<br/>
    The 3D model provided a visual representation of any potential obstructions, providing valuable insight for the design and installation teams. (3D model: PERI Iberia)<br/>
    The event took place in Lisbon&#039;s Parque Eduardo VII during the first week of August 2023 and welcomed around 1.5 million people. (Photo: PERI SE)<br/>

    press article

    Visionary stage design realised with 200 tonnes of PERI UP scaffolding

    World Youth Day (WYD) is an international event where young people from all over the world gather every two or three years to meet the Pope. Founded by Pope John Paul II, WYD was first held in Rome in 1986 and has since been held in numerous cities around the world. In 2023, the event was organised in Lisbon during the first week of August and attracted around 1.5 million participants.
    25
     
    Sep
     
    2023
    Responsible Wood
    Responsible Wood logo
    PERI AU Sustainability

    press article

    PERI Australia - a proud member of Responsible Wood

    In an effort to promote sustainable processes, PERI Australia joins Responsible Wood to continue to drive sustainability within the construction industry and reinforce its commitment to environmental responsibility and reducing ecological footprint.  
    20
     
    Sep
     
    2023
    PERI is playing an instrumental and successful role in Groß &amp; Partner’s “FOUR Frankfurt” inner-city project with a wide range of systems for formwork and scaffolding applications, not to mention climbing technology that is subject to the most stringent safety regulations and a sophisticated logistics concept.

    press article

    Four towers grow at once thanks to PERI systems

    Four up to 233-m-high futuristic towers will soon soar high into the heart of Frankfurt’s skyline in keeping with the project’s slogan “Feel the City”. PERI is playing an instrumental and successful role in the FOUR Frankfurt inner-city project with a wide range of systems from the formwork, scaffolding and climbing technology segments subject to the most stringent safety regulations and a sophisticated logistics concept.
    11
     
    Aug
     
    2023
    PERI engineers supplied 3D CAD plans for the scaffolding solutions, offering valuable support. These plans enable visualisation and provide precise guidance and parts lists for the scaffolding work.
    With its expertise, PERI successfully delivered the best scaffolding solution to meet the special requirements of this unique project.
    “Stadt Zürich”, the oldest steamboat of Lake Zürich was built in 1909. Over the years the ship underwent several modernisations and upgrades. Now listed as a protected cultural property of Switzerland.

    press article

    Dry docking and maintenance of “Stadt Zürich”, Zurich, Switzerland

    The Zürichsee-Schifffahrtsgesellschaft (ZSG), with more than 100 employees, offers around 1.2 million passengers an idyllic experience year by year, framed by the panorama of the picturesque Swiss Alps. To ensure that the fleet of 17 ships can reliably cover 360,000 kilometres per year on Lake Zurich, it requires regular maintenance.
    25
     
    May
     
    2023
    PERI engineers designed the core system to switch efficiently from low-rise to high-rise core geometry without rebuilding the whole system.
    The ACS Core 400 system was chosen for its ability to lift the formwork and working platforms of the elevator and stair core between floors without requiring the tower crane and with minimal labour.
    The Sky Tower will be the tallest residential tower in Canada reaching 105 storys with a total height of 345 meters.

    press article

    The Tallest Residential Tower in Canada is beginning to rise with PERI Climbing Systems

    The Pinnacle One Yonge project is a multi-phase development, designed by Hariri Pontarini Architects. With its prominent location, across from Toronto’s harbour, the sleek, masterfully designed towers will reshape the city’s skyline. The first three phases of the One Yonge project include residential towers that are 65, 105 and 92 storeys tall respectively.
    01
     
    Jan
     
    2023
    Engineers from PERI Austria and the PERI Infrastructure Sales Support Unit worked together to develop a tailored and innovative project solution.
    Before the tunnel formwork carriage was called upon, a mobile 6-m-long assembly carriage with rubber tyres and electric motor was used for the sealing work. This was followed by a reinforcement carriage adapted to the block length of 12 m, the principle of which is similar to the sealing carriage.
    The first concreting section was successfully completed in mid-November 2021. The formwork was stripped the following day and the formwork carriage moved forward to the second concreting section.

    press article

    Various tunnel cross-sections with first fully hydraulic formwork carriage with caterpillar drive

    The A26 project is one of the most important infrastructure projects in the Austrian city of Linz and the surrounding area with the goal to ease congestion on its urban transport network. The key to success during the project implementation stage was a PERI engineering solution that was innovative, safe and efficient in equal measure, coupled with comprehensive project support. The highlight: The first fully hydraulic tunnel formwork carriage with a caterpillar drive in Austria.
    02
     
    Dec
     
    2022
    In order to meet all the occupational safety requirements, all access points and working platforms in the formwork carriage were constructed using the PERI UP Scaffolding Kit.
    The formwork of the oblique-angled and V-shaped beams of the drive-by platform posed a particular challenge.
    The engineers from PERI combined the two modular systems VARIOKIT and PERI UP to create a project-specific customised formwork carriage solution.

    press article

    Customised formwork carriage cuts construction time by several months

    At the south end of Frankfurt Airport, Terminal 3, with its futuristic design, is currently one of Europe’s largest infrastructure projects. Upon completion of construction in 2024, up to 19 million travellers will be able to arrive at and depart from the three new gates each year. PERI assisted Max Bögl with the construction of the drive-by platform, which will in future provide passengers with direct access to the departure level of Terminal 3. 
    22
     
    Nov
     
    2022
    The newly introduced STS 300 Scaffold Transport System with removable and stackable baskets optimises working procedures for scaffolding projects. Visitors to the PERI exhibition hall were able to experience first-hand how the transport system works.
    With PERI UP Cladding, PERI presented a newly conceived, versatile enclosure system that is the ideal addition to the PERI UP Scaffolding Kit. With PERI UP Cladding, the scaffold can be enclosed quickly, providing the answer to the ever-increasing demands for weather and environmental protection on construction sites and the need for an attractive external appearance during building refurbishment.
    Another day, another tiny house: The printing process was showcased live at the stand run by the PERI 3D construction printing experts, demonstrating the technical and design possibilities.

    press article

    PERI is reflecting on a successful bauma 2022

    With more than 200,000 visitors, the PERI exhibition hall at bauma 2022 was a visitor magnet. PERI is now reflecting on a very successful trade fair featuring numerous innovations from the formwork and scaffolding sector as well as exciting talks and discussions. In addition to a comprehensive facelift for the MAXIMO Panel Formwork, additions to the PERI UP Scaffolding Kit and ground-breaking key digital technologies, PERI showcased alternative and sustainable construction methods using MESH technology and TwistBlock Moulds.
    24
     
    Oct
     
    2022
    With the motto “Building Sustainability”, visitors can experience first hand how sustainability is promoted at PERI during their visit to the trade fair.
    In addition, PERI will present numerous digital planning tools at the bauma 2022 which simplify the preparation of formwork and scaffolding projects and enable a realistic visualisation of project planning. Visitors to the exhibition hall can try out PERI software and tools and digitally experience project examples together with experts.
    After several successfully completed projects, such as the first 3D-printed single-family house in Germany, the PERI 3D printing team will also be showing a live demonstration of the printing process and presenting its full service portfolio at this year’s bauma.

    press article

    Shaping the future: PERI presents innovative technologies for more efficiency

    With the motto “Shaping the future”, the PERI exhibition hall will open its doors on the open-air North site (Booth FN 719) at bauma 2022 in Munich from 24 to 30 October 2022. In addition to innovations from the formwork and scaffolding sector, PERI will present digital technologies for the construction projects of tomorrow. Visitors can look forward to a variety of digital planning tools, innovations in PERI InSite Construction sensor technology, the new myPERI Customer Portal and a live demonstration of 3D Construction Printing. The MESH technology, which is among the finalists for the bauma Innovation Award, is celebrating its première.
    24
     
    Oct
     
    2022
    As a working platform in building construction, VGK enables a safe construction process. The light components are pre-assembled on the ground and suspended from the structure as a complete platform unit. The enclosed work platforms can be supplemented with reinforcement scaffolds, allowing the work to be carried out from a secured position.
    The lightweight VGK Working Platforms are ideally suited for projects with complex geometries. The platforms are available in three different widths to meet a wide range of requirements.
    After the first use of the RCS MAX Rail Climbing System in South Korea, the new system is now also celebrating its première in Germany. With the help of RCS MAX, the Frankfurt skyline is getting four new high-rise buildings with the &quot;FOUR&quot; project. Visitors to the exhibition hall can look forward to climbing up with the RCS MAX both safely and efficiently.

    press article

    Shaping the future: PERI presents innovations for the construction industry at bauma

    With the motto “Shaping the future”, the PERI exhibition hall will open its doors on the open-air North site (booth FN 719) at bauma 2022 in Munich from 24 to 30 October 2022. With a facelift of the tried-and-tested MAXIMO Panel Formwork, innovations from the slab formwork sector as well as new digital and disruptive technologies, such as the PERI InSite Construction sensors, 3D Construction Printing and the MESH technology, the formwork and scaffolding manufacturer is preparing the construction industry for the construction site of tomorrow. In addition, visitors can experience first-hand how the topic of sustainability is promoted at PERI with many practical examples.
    24
     
    Oct
     
    2022
    In its role as a full-service supplier of scaffolding and formwork systems, PERI also has the ideal solutions and the expertise to ensure that the combination of PERI formwork and the PERI UP Scaffolding Kit is used successfully.
    PERI has optimised the core components of the PERI UP Scaffolding Kit to make the work on the construction site easier. Component weight, functional scope and logistical requirements were the focus of further development. However, compatibility with existing PERI UP materials is still possible.
    In addition to the low component weight and the small number of different components, the ability to remove individual panels as required is a major advantage of PERI UP Cladding. Assembly is carried out from a secured position and right there on the existing scaffold.

    press article

    Achieving success in the scaffolding trade with PERI innovations

    With the motto “Shaping the future”, the PERI exhibition hall will open its doors on the open-air site North (booth FN 719) from 24 to 30 October 2022 in Munich. A number of innovations that make scaffolding construction quicker, safer and more economical will be showcased. Something that is always at the heart of PERI’s developments is the long-term and sustainable success of the scaffolding contractor.
    29
     
    Sep
     
    2022
    The cantilever at a height of 125 m gives the skyscraper its striking appearance, resembling the number “1”.
    The support structure for the cantilever was moved to the 33rd floor with the help of a crane.
    An access scaffold was erected using components from the PERI UP Scaffolding Kit during the process of assembling and disassembling the console brackets on the building.

    press article

    Project-specific PERI solution for new Frankfurt skyscraper

    At a height of around 190 m, the new 49-storey office and hotel tower ONE by CA Immo is an integral part of the skyline of Frankfurt’s metropolis on the River Main. The skyscraper attracts attention in particular due to its triangular cantilever on the 33rd floor, which is visually reminiscent of the number “1” and lends the building its name.
    10
     
    Aug
     
    2022
    With safe, coordinated work processes, deadlines could be met without any interruptions that might delay construction. The high level of working safety facilitated both the formwork and scaffold assembly processes as well as subsequent use at great heights.
    The compatibility of the VARIOKIT and PERI UP modular systems meant that customised project solutions could be achieved for the cantilevered parapet construction process and for finishing the superstructure and the inclined piers above the Y-pier head.
    PERI engineers designed a rail-guided finishing carriage by combining the PERI UP Scaffolding System with VARIOKIT and RCS climbing technology in order to work on the inclined piers.

    press article

    Building bridges with solution expertise and modular systems

    Customer-oriented planning and services combined with coordinated modular systems form the basis for developing formwork and scaffolding solutions that are suitable for almost any site requirements, including complex infrastructure projects. Experienced PERI engineers assisted with the construction of the Filstal Bridge, bringing their extensive solution expertise to bear.
    06
     
    Aug
     
    2021
    With the help of the VTC Tunnel Formwork Carriage used, both undersides and inner slabs could be quickly and safely struck at the same time.
    In total, the tunnel was cast in nine concreting sections, each 17 m long and 8 m high. The combination of concreting sequence and the high speed of the VTC System helped to save a full ten days per cycle.
    With a customised VTC Tunnel Formwork Carriage, consisting of standard components from the VARIOKIT Engineering Construction Kit in combination with GT 24 Girders and Battens in different lengths, the project requirements could be met.

    press article

    VARIOKIT VTC Tunnel Formwork Carriage supports construction of Werrington Grade Separation tunnel

    For the construction of the Werrington Grade Separation tunnel, the VARIOKIT VTC Tunnel Formwork Carriage and other PERI standard components were used for a solution which, despite its rectangular structure, delivered a curved result. Optimally coordinated formwork and scaffolding solutions from a single source, as well as clever advance planning services, ensured that the project ran smoothly.
    07
     
    Feb
     
    2020

    press article

    Groundbreaking innovation for slab formwork procedures

    The safety requirements imposed on slab-forming procedures are becoming an increasingly significant issue. At formwork and scaffolding manufacturer PERI, ensuring safety during day-to-day work is priority number 1. PERI has unveiled the future-proof large panel formwork system SKYMAX, a groundbreaking innovation for formwork systems. Not only does the innovative principle significantly increase safety levels for users, it also improves the degree of economic efficiency.
    07
     
    Feb
     
    2020
    Additional system components such as column frames and adjustment beams make it safe and easy to marry up mating surfaces.
    Using the lowering head keeps the shuttering time to a minimum. The panels can be struck within a short space of time and can then be used for the next section together with the heads.
    On account of the low weight and the ergonomic handling features, no more than two persons are required for the SKYMAX installation process.

    press article

    Groundbreaking innovation for slab formwork procedures

    The safety requirements imposed on slab-forming procedures are becoming an increasingly significant issue. At formwork and scaffolding manufacturer PERI, ensuring safety during day-to-day work is priority number 1. PERI has unveiled the future-proof large panel formwork system SKYMAX, a groundbreaking innovation for formwork systems. Not only does the innovative principle significantly increase safety levels for users, it also improves the degree of economic efficiency.
    03
     
    Feb
     
    2020

    press article

    Demanding infrastructure project underway in Doha

    Adherence to deadlines, efficiency and completion without interrupting the flow of traffic are the requirements that are of paramount importance during the Sabah Al Ahmad Corridor infrastructure project. For the construction phase on Al Bustan Street South, PERI made use of the PD 8 shoring system and a combination of systems from the PERI UP Flex portfolio in addition to a tailor-made VARIOKIT solution with VST heavy-duty shoring towers. The customer has therefore taken full advantage of the opportunity to procure time-saving formwork and scaffolding systems from a single source.
    03
     
    Jan
     
    2020

    press article

    Scaffolding solutions for three residential towers in the new cultural epicentre of Bratislava

    The new cultural epicentre of the region is currently being built in Bratislava: SKY PARK is a multi-functional centre that combines a modern living and working experience with public spaces. Spanning approximately 5 hectares, the site currently encompasses three residential towers, two office buildings, a large park area and the Jurkovič thermal power station, which is being refurbished as part of this major project. In addition to customised PERI scaffolding solutions, amongst others the PERI RCS rail climbing system in combination with the VARIO GT 24 girder wall formwork was used during the erection of the residential complexes. 
    04
     
    Nov
     
    2019

    press article

    Three construction sites – one church: Renovation work on Ulm Minster

    The 161.53 m high main tower of Ulm Minster is known as the highest church spire in the world – equally as impressive is the 29 m long, 15 m wide and 26 m high choir. PERI systems are currently assisting with the extensive renovation work on the vaulted ceiling and the choir stalls as part of the restoration of the main tower and the north-east, 86 m high choir tower.
    21
     
    Oct
     
    2019

    press article

    New Managing Director “Innovation & Marketing”

    Effective November 1, 2019, Thomas Imbacher, Director of the Sales Region Central Europe, will take over the position as Managing Director “Innovation & Marketing” in the Group Management of PERI GmbH.
    02
     
    Sep
     
    2019

    press article

    PERI systems in use for construction of a new airport in Istanbul

    Istanbul Airport can accommodate around 90 million passengers per year but can easily be expanded in order to handle up to 200 million passengers annually. Two gigantic terminal buildings have been planned to deal with this enormous increase in passenger volume - the first terminal alone provides 1.44 million m² of effective area. Various PERI systems were used in the construction of the terminal building as well as for realising other structures.
    03
     
    Jun
     
    2019

    press article

    Unconventional VARIOKIT solution for underground tanks

    Covering the size of 24 football pitches, 17 m high and having sufficient capacity to store a total of 13.2 million barrels of oil: in Saldanha Bay, South Africa, a huge crude oil tank farm featuring twelve 110 m x 110 m tanks has been realised. The clients of WBHO Construction Ltd. integrated the team of PERI engineers into the project at a very early stage so that they could work together to develop the most appropriate solution for the gigantic task ahead already during the planning phase. The most cost-effective method for constructing the underground tanks proved to be a project-specific solution using the VARIOKIT steel composite carriage with additional specially designed structural steel members.
    02
     
    May
     
    2019

    press article

    VARIOKIT tunnel formwork solution deep in the heart of the Golden City

    With construction work being carried out in depths up to 30 metres in the centre of the city famous for the Golden Gate Bridge, an enormous building structure is being realised. When completed, the Chinatown Subway Station will form the northern end of San Francisco's Central Subway System. The new station will significantly improve access to public transport in some of the city's most densely populated areas. The architectural requirements presented the contractor with enormous challenges. PERI developed a project-specific solution based on the VARIOKIT Engineering Construction Kit in order to economically construct the inner lining.
    12
     
    Apr
     
    2019

    press article

    New products at the leading global trade fair bauma

    Weissenhorn / Munich. Under the motto "Hand-in-Hand for Your Success", PERI presented a range of innovative new products for formwork and scaffolding technology at the bauma which took place from 8th - 14th April. Individual customer requirements of various target groups were the main focus of the respective product development. In keeping with its motto, PERI also presented its extensive range of services and software some of which could be tested directly on the stand.
    20
     
    Mar
     
    2019

    press article

    PERI relies on CADENAS for BIM CAD scaffolding component library

    Architects, planners, work planners and civil engineers can now download more than 200 scaffolding components in over 150 CAD formats at no cost.
    01
     
    Mar
     
    2019

    press article

    Project-specific solution for the longest cantilever bridge in Northern Macedonia

    Upon completion, a new, almost 65 km long motorway will connect the cities of Kičevo and Ohrid in the south west of the North Macedonian Republic. On the first section between Kičevo and Podvis, it was necessary to build a 381 m long viaduct. For this, PERI engineers developed a project-specific solution on the basis of the VARIOKIT balanced cantilever equipment. As a result, this allowed the construction team to maintain the very tight building schedule – in spite of the challenging terrain.
    07
     
    Dec
     
    2018
    The plant components of BASF&#039;s new acetylene plant reach up to 90 m in height.
    Industrial applications call for an adaptable scaffolding system combined with the highest demands on work safety. With PERI UP Flex, safe working platforms and access points can also be realised for higher-positioned work areas at an industrial facility.
    The combination of high adaptability in 25 cm grid dimensions and consistent use of system components accelerates scaffold assembly operations while increasing the safety during installation and use.

    press article

    Innovative BIM scaffolding concept in industrial construction

    At BASF SE in Ludwigshafen, a new state‑of‑the-art acetylene plant is currently being built. The basis for the construction of the facility is an innovative, BIM‑based scaffolding concept as well as the PERI UP scaffold system with its high level of flexibility for ensuring consistently safe work operations.
    09
     
    Nov
     
    2018
    The concrete construction is PERI’s first housing project with DUO in the United Kingdom.<br/>(Photo: seanpollock.com)
    Roof slabs are formed via horizontal application of DUO.<br/>(Photo: seanpollock.com)
    DK ties form a regular pattern across the concrete surface. <br/>(Photo: seanpollock.com)

    press article

    A bold concrete structure built entirely with DUO formwork

    Over the past year, a concrete structure has slowly emerged amongst a more conventional residential setting in East Sussex. The single-storey structure is the first self-build project the owner, Adrian Corrigall, has ever built. At the same time, it’s also PERI’s first housing project with DUO in the United Kingdom.
    04
     
    Sep
     
    2018
    Formwork facing the river Tay.
    The removal of the cofferdam will restore the water back to its former position, which will see part of the V&amp;A merge into the river Tay as imagined by the architect.
    The transition from flat, triangular planes of walls 15 and 16 to the wrapped curves of wall 14 proved to be one of the most difficult challenges overcome by the PERI team.

    press article

    Extraordinary formwork for an extraordinary building

    Inspired by cliffs of sedimentary rock standing proud against the sea, at the centre of Dundee’s £1 billion waterfront regeneration, lies the V&A Museum of Design. This £80.11 million masterpiece, the first UK work penned by renowned Japanese architect Kengo Kuma, is a bold creation combining complex concrete architecture with glass facades and linear concrete cladding. PERI has provided professional engineering services and bespoke formwork solutions in order to achieve the best possible architectural concrete result.
    01
     
    Sep
     
    2017
    For the reconstruction of the Humboldt Forum in Berlin, Germany, the contractor used PERI MAXIMO. The wall formwork system allowed safe and cost-effective construction of the vertical reinforced concrete components.
    The residential complex at the Nordbahnhof location in Vienna, Austria has a total of 182 apartments. Thanks to PERI MAXIMO, the shell was completed in the shortest possible time of only 10 months.<br/>
    PERI MAXIMO was used to concretate the side walls of the 3.2 km long carriageway. The two-storey tunnel has replaced the outdated Alaskan Way Viaduct Bridge in Seattle, United States of America. 110,000 cars drive through the tunnel every day.<br/><br/>

    press article

    A decade of maximum efficiency for forming walls

    Presented for the first time at the bauma 2007, the MAXIMO panel formwork continues to make a convincing case even a decade later through its enormous economic efficiency. In particular, the tie technology that was developed ten years ago by PERI leads to significantly smaller numbers of jobsite personnel thus resulting in considerable time and cost savings. Over the years, PERI engineers have continually expanded the application areas of this innovation. This is why the PERI MAXIMO can be found on countless construction sites in Germany and around the world.
    30
     
    Jan
     
    2017
    Also in India&#039;s second largest city, there was a prize for the DUO system. The “Construction Opportunity Excellence Award” went this year to the innovative formwork from Weissenhorn.
    For the fourth time now, PERI exhibited at the bauma CONEXPO in Neu-Dehli. Among other things, DUO, ALPHAKIT, SKYDECK, GRIDFLEX, VARIO, LIWA and PERI UP were showcased.
    The PERI DUO Universal Formwork is the winner of the “Best Innovation Product Award” category at the “Kostroi Angola 2016”.

    press article

    PERI DUO continues to garner additional awards

    The PERI DUO universal formwork system continues to attract a very positive response: two more bodies - one in Angola, another in India – have awarded the new technopolymer-based formwork with corresponding innovation prizes.
    19
     
    Jan
     
    2017
    PERI UP decking always completely covers the entire axial dimesnions; there are no gaps or offsets between the decks – both from bay to bay as well as decks positioned parallel to each other. Covers for gaps in the decking are not required.
    The integrated protection against lifting in the scaffold decking in detail: the integrated clamp engages the rectangular ledger and thus secures the position of the decking. PERI UP decks are also secured against lifting after installation without requiring any additional components.
    Through the integrated scaffold nodes on the PERI UP Easy Frame, ledgers, supports and console brackets can be directly connected. This makes it possible, e.g., to also easily mount external flights of stairs; these provide convenient and safe access to all areas.

    press article

    From planning to implementation

    Enhanced safety along with maximum flexibility: the new PERI UP Easy* facade scaffold system solves two of the most important challenges faced in day-to-day construction site operations as the new frame scaffold supports safe and fast assembly. In addition, the integrated scaffolding nodes allows PERI UP Easy to be combined with the PERI UP Flex modular scaffolding thus ensuring maximum flexibility even when dealing with complex building geometries. Furthermore, PERI offers its customers a wide range of services relating to planning, tendering and project execution through to the entire planning and construction process.
    23
     
    Dec
     
    2016
    For the Northwest Redwater Project (NWR) in Edmonton (Canada), PERI is supporting the construction of the gigantic industrial facility with efficient PERI UP scaffolding technology, 3D scaffolding planning as well as comprehensive construction site support.
    The Berlin City Palace on the Spreeinsel in the German capital has been largely reconstructed according to old building plans - for this, PERI supplied formwork and scaffolding technology from a single source.
    A total of 44 storeys wind their way elegantly upwards on the so-called Generali Tower in Milan (Italy). The clever climbing formwork solution for the project by Zaha Hadid is yet another trend-setting development from PERI.

    press article

    Targeting worldwide growth

    PERI can look back with great satisfaction at events in 2016 and retains a positive outlook regarding future business development. Special highlights of the year included participation at the world´s leading trade fair, bauma, where the latest innovations from Weissenhorn were showcased as well as the purchase of a site in Günzburg (about 20 km from headquarters in Weißenhorn) on which the master production plant for PERI UP scaffolding technology is currently being realized. As a result, PERI has provided the right impulse and set the course for the future.
    11
     
    Nov
     
    2016
    PERI recently received the prestigious &quot;Supply Chain Management Award 2016&quot; for a new logistics concept. On behalf of the international team, Ramona Held and Dr. Bernd Rosenkranz (centre) accepted the award from jury members Dr. Petra Seebauer (right) and Harald Geimer (left) along with the previous year&#039;s winner and laudator, Johannes Giloth.<br/>(Photo: André Baschlakow/EUROEXPO)

    press article

    Efficient planning ensures optimal material availability worldwide

    At the beginning of October 2016, PERI once again proved that the company continues to operate at an international level in terms of innovation: at a logistics conference, the Supply Chain Management department was awarded the "Supply Chain Management Award 2016" for its innovative logistics concept. Excellent planning is not just a requirement of the company but is in fact indispensable in order to provide customers with the appropriate formwork and scaffolding systems at all times. The innovation prize confirms that the solution developed in the company is indeed first class.
    13
     
    Sep
     
    2016
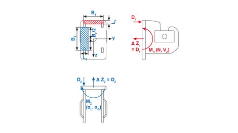
    Suspension shoe (red = additional loads due to the bridge lateral inclination; blue = additional load as a result of the bridge lateral inclination).<br/>
    Additional loads from the bridge lateral inclination M(αL) = moment from downforce F MT(αL, αQ) = torsion in the vertical post.<br/>
    Additional loads from the bridge lateral inclination.

    press article

    Planning and testing of Cantilevered Parapet Brackets and their respective anchoring

    In the coming years, an increased need for new buildings and refurbishment of bridges can be expected in Germany. As a result, the number of cantilevered parapets to be realized will also increase. For their removal and construction, bracket scaffolds are normally used which are anchored to the bridge. In the following article, a number of the essential factors regarding load transfer that occur in bridge structures are described, and which are to be taken into consideration during the planning and testing of brackets and their anchoring.
    24
     
    Aug
     
    2016
    The refurbishment anchor has two parts; after dismantling the bracket, the anchor bolt can be easily removed and re-used.
    Refurbishment anchoring: the two-part, re-usable refurbishment anchor consists of an internal threaded sleeve and a connecting element.
    For the construction of the new cantilevered parapet, the working bracket is complemented with the formwork.

    press article

    Construction of cantilevered parapets for new bridge constructions and bridge refurbishment

    In the coming years, an increased need for new buildings and refurbishment of bridges can be expected in Germany. As a result, the number of cantilevered parapets to be realized will also increase. For their removal and construction, bracket scaffolds are normally used which are anchored to the structure. During the planning phase, the construction site situation must be properly assessed and a suitable bracket scaffold selected, including the anchoring, in order to minimize risks and costs as well as avoiding any construction delays. PERI offers a closed system consisting of brackets and anchors that enhances planning reliability and work safety which ultimately results in cost savings.
    03
     
    Jun
     
    2016
    PERI UP Stair Towers provided safe access to the working areas during all stages of construction.
    In the upper hollow pylon legs, 36 ACS climbing cylinders were used to lift the customized formwork from cycle to cycle.
    A competent planning service and continuous on site support: the catwalk positioned between the two pylon legs was an integral part of the PERI complete solution.

    press article

    Climbing formwork and shoring solution for complex bridge pylons

    The almost 90 m high pylons for a new cable‑stayed bridge across the Ohio River are characterized by their complex shapes and massive legs and cross beams. PERI provided a comprehensive overall concept for its construction – consisting of a planning solution with perfectly matched formwork, climbing, shoring and scaffolding systems along with extensive on‑site support. With this PERI solution, the construction crew were able to realize the two bridge pylons in Louisville within the specified construction period and with low dimension tolerances.
    19
     
    May
     
    2016
    DUO’s versatility was used as edge protection to prevent falls from heights on a suspended slab with a working height of 5.2m.<br/>It is light weight made erecting safe and fast.
    DUO is particularly suitable for small-sized applications in civil engineering where only Class 3 Finish is required.
    DUO Brackets and guardrail posts together with supplementary timber construction are used to build safe working platforms and access.<br/>

    press article

    Increased efficiency with optimized team capacity

    With the help of the eco-friendly lightweight DUO formwork, reinforced concrete walls, strip footings and ground slabs could be monolithically concreted in 1.5 day cycles. 
    19
     
    Apr
     
    2016

    press article

    bauma 2016: An outstanding success for PERI

    At the 32nd Edition of the World´s Leading Trade Fair for Construction Machinery, Building Material Machines, Mining Machines, Construction Vehicles and Construction Equipment, around 175,000 visitors were recorded at PERI´s specially erected exhibition hall. The biggest attractions featured a number of interesting innovations: DUO Universal Formwork, SKYMAX Slab Formwork and the ACS Core 400 Core Climbing Formwork. PERI Managing Director, Alexander Schwörer, confirmed: "For us, bauma 2016 was a great success, and we are very satisfied with the positive feedback as well as the high quality of the fair visitors."
    12
     
    Apr
     
    2016

    press article

    PERI Scaffolding Technology at bauma 2016

    Reports about new products for the target group of scaffolding contractors and industrial companies
    12
     
    Apr
     
    2016

    press article

    PERI Engineering Construction at bauma 2016

    Information about new products for the target group of engineering companies (bridge and tunnel construction; climbing technology)
    12
     
    Apr
     
    2016

    press article

    PERI Formwork and Scaffolding Technology at bauma

    Information on new products for the target group of contractors in building construction; reports about new formwork systems as well as shoring solutions and the weather protection roof
    12
     
    Apr
     
    2016

    press article

    Best solving expertise in formwork and scaffolding

    General information on our bauma appearance and the importance of bauma as an innovation platform; notes to the PERI project expertise and its presentation at bauma; information and news about PERI services and software solutions
    02
     
    Mar
     
    2016
    For forming the oblique-angled building corners – due to the facade inclinations – specially designed corner platforms are being used which are based on system equipment.
    The RCS Climbing Protection Panel units climb crane-independently with the help of mobile self-climbing devices to the next floor each time.
    The self-climbing ACS P Platform variant has been adapted to suit the central 8 m x 10 m core ground plan while suspended DOMINO elements are being used for subsequent construction of the intermediate walls.

    press article

    Climbing systems cost-effectively matched to one another

    For a cost-effective execution solution, PERI´s Israeli engineers combined several climbing system variants. The system concept was perfectly matched with the climbing formwork and protection panels as well as exactly meeting construction site requirements.
    03
     
    Feb
     
    2016
    The Harpe Bru bridge superstructure is being constructed using a total of 4 Balanced Cantilevered Carriages. It is the first extradosed bridge in Norway.
    The flexible VARIOKIT cantilevered construction solution ensured rapid progress for the construction of the individual superstructure segments. In December 2015, the work was due to take place on the final gap closure.
    During the planning process, PERI specialists also had to take into consideration the suspension cables with which the segments are suspended on the pylons. At no time during the execution were they allowed to collide with the Balanced Cantilever Equipment.

    press article

    PERI balanced cantilever solution ensures optimized workloads

    In the course of the European Route E6 expansion in Norway, the plans include a 320 m long bridge which spans the Gudbrandsdalen Lågen river. For the bridge superstructure, PERI civil engineering technology experts developed a balanced cantilevered solution based on the VARIOKIT Engineering Construction Kit.
    19
     
    Jan
     
    2016
    At PERI’s 4,200 m² large stand, the topics of formwork and scaffolding will be presented.

    press article

    Best problem-solving expertise in formwork and scaffolding

    From 11th to 17th April 2016 in a 4,200 m² exhibition hall in the Open-Air Area North, PERI will be presenting the very latest formwork and scaffolding technology. The focus is on a range of innovations, practical system enhancements as well as further developments for different applications and target groups.
    12
     
    Jan
     
    2016
    PERI engineers closely collaborated with the project participants and provided them with 3D renderings to ensure that all requirements could be fulfilled.
    PERI-UP Rosett was used as both access for steel reinforcing placement and falsework support.
    The panels joined together with the help of steel walers and couplings, which allow the form to be moved as an integrated unit.

    press article

    With the help of PERI’s fast shuttering wall system and flexible scaffold system, V-shaped architectural piers with 60 degree inclination were constructed accurately

    With the help of PERI’s fast shuttering wall system and flexible scaffold system, V-shaped architectural piers with 60 degree inclination were constructed accurately.  
    07
     
    Jan
     
    2016
    The detailed 3D scaffold planning with PERI CAD and the early consultation and coordination with all project participants has increased both work safety and efficiency.
    Integrated staircases with widths of up to 1.25 m allow convenient and rapid access to all scaffold levels.
    Project-specific PERI UP industrial scaffold solutions accelerate working operations and increase safety levels.

    press article

    High level of safety and increased efficiency in industrial scaffolding

    The PERI UP scaffolding system along with the integration of 3D scaffold planning at an early stage has reduced the time and cost factor while simultaneously increasing safety levels for the construction of an industrial plant in Canada.
    02
     
    Dec
     
    2015
    The PERI UP Modular Scaffold is extremely flexible due to its metric grid dimensions of 25 cm or 50 cm. Each leg is positioned to exactly match the geometry and to accommodate the loads to be transferred.
    The shoring is positioned on floating supports to ensure seismic safety during construction. For load distribution, the planning concept uses rentable steel components from the PERI product range.
    In addition to the project-specific planning, the PERI solution included a comprehensive logistics concept and on-going site supervision in order to provide the immense amounts of materials on a just-in-time basis in accordance with requirements.

    press article

    Earthquake-proof shoring solution for new iconic structure in Athens

    Not far from the Faliro bay in Athens, the Stavros Niarchos Foundation Cultural Center (SNFCC) is being realized based on a design by star architect, Renzo Piano. PERI is supporting the construction of this extraordinary project with a comprehensive formwork and scaffolding solution which includes continuous on-site supervision along with a matching logistics concept for managing the enormous amount of materials.
    01
     
    Dec
     
    2015
    Adjustable PERI RUNDFLEX panels allowed construction of the reinforced concrete island walls to be achieved significantly faster than conventional formwork.
    RUNDFLEX panels were designed separately for the specific length and subsequently templates were provided for each and every use. SB Brace Frames were used for some parts of the wall for the purpose of single-sided concreting where through ties could not be placed.
    Designing wall 19 with plywood gussets - Vario formwork would provide the basic alignment, with 3 layers of 6mm thickness plywood to provide the final intricately shaped formlining.

    press article

    Fast and accurate forming of distinctive architecture with easily assembled standard systems

    A focal point of the Elizabeth Quay project is a man-made island surrounded by a newly constructed inlet, and a key component of the island is a series of curved, sometimes also inclined, coloured concrete architectural feature walls.
    18
     
    Nov
     
    2015
    Due to the low weight, roof segments can easily be moved by hand.
    The LGS Weather Protection Roof provides comfortable working conditions especially in bad weather. Depending on site conditions and requirements, roller support provides the possibility to move the segments manually thus allowing the roof to be opened quickly.
    The girder segments along with the walkways can be completely preassembled on the ground. Subsequently, the crane positions the elements on the supports which comprises components taken from the PERI UP Modular Scaffolding range.

    press article

    Safe access to weather protection roof – no PPE against falling required

    For the LGS Weather Protection Roof from the extensive PERI product portfolio, a fast and reliable solution for safe working on roof girders is now also available: a walkway along the girder whereby the use of personal protective equipment against falling is no longer required.
    09
     
    Nov
     
    2015
    At the same time as the construction work on the ground floor, the 165 hotel rooms in the upper floors were completely refurbished with the help of PERI cantilevered platforms.
    Using RCS rails and trolleys from the PERI UP system has allowed bulky components to be easily moved through the window openings to the outside.
    Cantilevered instead of positioning: the cantilevered load platforms were offset on every floor.

    press article

    Cantilevered system combination for refurbishment measures

    Cantilevered platforms have accelerated the complete renovation of a luxury hotel in Luxembourg. The customized project solution was based on two compatible PERI modular construction systems: VARIOKIT and PERI UP.
    05
     
    Oct
     
    2015
    One of the biggest challenges is to stick to the construction phase and cost plan. For this reason, work also continued through the night on this complex project of immense proportions.
    For the tunnels of the hydraulic circuit PERI&#039;s engineers planned and supplied a project-specific steel formwork carriage solution for the varying cross sections from 5.50 m to 7.50 m.
    The PERI UP Modular Scaffold is being used for diverse falsework and working scaffold tasks and for access solutions. The advantages of the PERI UP Stairs with installation heights of up to 55 m include fast and secure accessibility to working areas.

    press article

    Elaborate engineering services for an imposing dam

    PERI devised and supplied an optimised and safe formwork and scaffolding solution for construction of the Foz Tua Dam and the associated pumped-storage power station. The PERI specialists supported the construction firm, Barragem de Foz Tua, ACE, to ensure the build was completed on schedule and with precision, providing an elaborate concept, as well as logistical and technical services.
    02
     
    Sep
     
    2015
    Combined use of the VARIO, SB and MULTIPROPS systems was chosen to restrain the high concrete pressure generated when pouring the nozzles walls.
    Project-related solutions to provide a safe working platform for formwork setting and concrete pouring operations.
    The PERI Flex scaffold system offers the possibility of having access to the site that is quick and easy to erect whilst integrating high leg-load shoring.

    press article

    Well-engineered technical solution, the drive mechanisms and hydraulic equipment allow fast, high quality operation.

    PERI Australia has successfully delivered tunnelling formwork towards a project that is history in the making! 
    01
     
    Sep
     
    2015
    Lightweight and flexible SKYDECK and MULTIPROP system components made of aluminium saved both time and money when forming the storey slabs.
    The MAXIMO Wall Formwork system and QUATTRO Column Formwork allowed fast and safe construction of the vertical reinforced concrete components.
    The planning and supply of formwork and scaffolding from one source created a synergy effect for the site management.

    press article

    Formwork and scaffolding from one source for Berlin´s City Palace

    For the reconstruction of Berlin´s City Palace, PERI supplied cost-effective formwork and scaffolding solutions from one source. In addition to providing large quantities of wall, column and slab formwork with fast shuttering and moving times as well as flexibly used scaffolding materials, the on-site support provided by the PERI engineers ensured that all requirements could be fulfilled along with maintaining the tight construction schedule.
    03
     
    Aug
     
    2015
    The LPS enclosure nestles closely to the building also in circular sections areas - and thus ensures safe working conditions in the floors under construction as well as the areas of risk below.
    Key components of the PERI climbing solution are two RCS landing platforms on each tower that have been integrated into the LPS enclosure and supplemented with additional protective meshes.
    The LPS protection panel units are up to 18.50 m high and are climbed by means of mobile climbing hydraulics to the next floor without requiring a crane.

    press article

    Construction time optimisation through comprehensive working safety and crane-independent climbing

    The new LPS climbing protection panel from PERI provides comprehensive working safety and saves valuable crane time thanks to the mobile climbing hydraulics. This has accelerated construction progress on the International Towers Sydney complex on Australia's east coast.
    16
     
    Jul
     
    2015
    PERI UP Rosett was used as scaffold edge protection as well as shoring for L18 slab.
    Slab stops at level 12 and starts again at level 18. This was a challenge for the LPS screens as they had to be held back and then jumped up once L18 and 19 were poured.
    LPS screen is a weight-optimized protection system due to the metal mesh panels. This system was used as a perimeter protection and was preassembled in PERI yard.

    press article

    PERI Flexible work scaffold along with comprehensive protection solutions allows for quick cycle times and safe working conditions

    PERI Flexible work scaffold along with comprehensive protection solutions allows for quick cycle times and safe working conditions
    14
     
    Jul
     
    2015
    Approx. 10 months before the scheduled opening, the first test sections of the expanded Panama Canal were flooded. For PERI, this also means that the mega project will therefore be completed soon.
    Approx. 10 months before the scheduled opening, the first test sections of the expanded Panama Canal were flooded. For PERI, this also means that the mega project will therefore be completed soon.

    press article

    Completion now within reach: flooding of a canal section

    With the flooding of a canal section in June 2015, tests have begun in readiness for the scheduled opening of the expansion project in 10 months time. Since 2011, PERI has delivered around 1,100 containers of formwork and scaffolding materials to Panama. Once again, the company has demonstrated its superb service capabilities as well as ability to deliver – in this particular case through the excellent teamwork of several subsidiaries.
    06
     
    Jul
     
    2015
    The MXP platform system provides the maximum level of safety during anchor operations and when connecting the elements, and exactly matches the element widths of the TRIO.
    The TRIO panel formwork allows the construction of the 13.50 m high walls with variable inclinations. Up to 14 m long RS push-pull props ensure the correct alignment of the elements.
    With customized VARIO GT 24 girder wall formwork, those areas featuring two counter-positioned inclinations can easily be aligned.

    press article

    Replica of a cave from the Paleolithic Age realised in the original form with PERI

    The museum complex is dedicated to showcasing cave paintings with the central feature being a complete replica of the "Lascaux 4" cave. PERI has supported the project by providing an overall concept comprised of detailed technical preparation, absolute safe formwork solution and continuous consultation.
    16
     
    Jun
     
    2015
    In spring 2014, a second state-of-the-art CNC machine began operations at the PERI formwork assembly facility in Weissenhorn. This significantly increases the cutting capacity.
    For the MONA shopping centre in Munich, PERI supplied 3D special formwork for the parapets and mushroom-shaped heads. The construction team is extremely satisfied with the manufacturing quality of the special elements from the plant; the fact is that any on-site production of these highly complex formwork units would not have been possible.
    A very special type of swimming stadium was built for the London Olympics 2012 – The Aquatics Centre. Created by the star architect, Zaha Hadid, PERI planned, assembled and supplied the required 3D formwork units.

    press article

    Formwork in every shape and dimension – even faster with the new CNC system

    PERI is keeping pace with this trend: with individual formwork solutions, the formwork and scaffold expert ensures that complicated designs become reality. In order to increase the required capacity at the Weissenhorn formwork assembly plant, a second state-of-the-art CNC timber processing facility started operations in the spring of 2014.
    01
     
    Jun
     
    2015
    As part of the Krakow metropolitan railway system (KST) expansion, a 40 m high asymmetrical viaduct pylon was erected in the second phase of construction, featuring a combined A and H geometry. At 2/3 of the pylon height, horizontally suspended SB brace frames were used. These formed a load-bearing intermediate platform for the crossbeam, a technological platform for the reinforcement materials as well as, in the final phase, a sub-construction for the scaffolding in order to install the stay cables. The PERI comprehensive solution allowed short concreting cycles with the highest possible safety standards.
    In the foreland area, PERI UP Rosett Flex load-bearing system together with a throughway consisting of HD 200 heavy-duty props was used as shoring solution to support the 207 m long viaduct. Thanks to 25 cm or 50 cm system grid, the position of the legs could be flexibly adapted to accommodate the respective loads. The aluminium PERI UP Rosett staircases served as safe access means for site personnel.
    Heavy railway traffic at one of the busiest stations in Poland remained undisturbed during construction thanks to the PERI balanced cantilever equipment.

    press article

    Cost-effective cable stay bridge construction with VARIOKIT balanced cantilever equipment

    The current expansion of the Krakow metropolitan railway network (KST) requires, among other things, crossing of the Krakow-Plaszow railway junction. Ensuring that daily rail operations remained unaffected during the construction of the 252 m long crossing was a prerequisite which meant the general contractor decided in favour of the cantilevered construction method for realizing the extradosed bridge with its hollow box cross-section.
    01
     
    Apr
     
    2015
    Maximum level of safety for all access means to the working areas: PERI UP Rosett staircases are the safe option for also reaching the higher storeys.
    Columns with diameters of up to 1.50 m x 2.00 m are formed using the VARIO GT 24 column formwork. The high fresh concrete pressures can also be safely transferred with this variable system.
    The perforated steel sheeting used as enclosure of the PERI RCS P climbing protection panel is particularly suitable for use in warmer regions. It is air-permeable and prevents heat accumulation inside the building.

    press article

    Working faster due to safer conditions

    For the construction of the JKG Tower high-rise building complex – consisting of a 32-storey office tower along with a 13-storey parking facility – safety has been given the highest priority. As a result, the PERI formwork and shoring solution has also included, among other things, a corresponding training programme for the construction team.
    03
     
    Mar
     
    2015
    A total of four PERI tunnel formwork carriages are being used: in addition to the VARIOKIT formwork carriage construction for the &quot;Place des Martyrs&quot;, a second project formwork carriage with a 9.30 m radius is being utilized for the realisation of the &quot;Ali Boumendjel&quot; intermediate station.
    The PERI UP working scaffold has been optimally adapted to suit the imposing cross-sectional geometry of the station´s arched form and is used to execute the waterproofing and reinforcement work in advance.
    PERI engineers created a formwork carriage construction on the basis of the VARIOKIT engineering construction kit. Using the same system components and formwork segments, both cross-sectional metro station variants can be cost-effectively realized.

    press article

    Tunnel formwork with record-breaking dimensions

    With a length of 144 m and a width approaching 23 m, the "Place de Martyrs" metro station boasts some very impressive dimensions. In addition, the entire 1.7 km long extension of the Algiers metro system runs under historic ground. For this project, an international team of PERI engineers designed economically optimized tunnel formwork solutions, tailored to meet the varying requirements.
    03
     
    Feb
     
    2015
    Cost-effective system combination: VARIOKIT system components supplemented the PERI UP scaffold solution in particular for the large-span bridging.
    PERI UP was flexibly adapted to suit the organic shape of the bronze sculpture in 25 cm increments and thus provided optimum conditions for all necessary operational steps: adjustment, welding, processing, chasing and patinating.
    The PERI UP Rosett Flex modular scaffold system provided safe working conditions for the craftsmen and metal designers during the realisation of the 33 m high bronze work of art.

    press article

    Super-sized bronze casting: 3D-puzzle on PERI UP scaffolding

    For the erection of the extraordinary Pegasus bronze sculpture in Miami/Florida, PERI UP Rosett Flex provided optimal working conditions. The modular scaffold system proved once again just how flexible and versatile it is, adapting to the complex geometry in 25 cm increments.
    02
     
    Dec
     
    2014
    Due to the standardised connections with only a minimum of tool usage, the VARIOKIT construction kit system is easy and simple to assemble.
    Modular shoring assembly: VARIOKIT system components were pre-assembled on the ground to form truss segments and placed into intermediate storage with the crane. Three such segments were subsequently coupled to create a 37 m long truss unit and lifted over the Mur by means of a mobile crane.
    For transferring the heavy loads over the almost 40 m span, the truss arrangement and spacings can be flexibly determined using a metric grid configuration.

    press article

    Large-spanned trusses with high load-bearing capacity and low deadweight

    For construction of the Mur Bridge, the new PERI VARIOKIT lattice girder system is being used for the first time in Austria. This is characterized by its extremely high load-bearing capacity with a comparably low weight; in addition, the system components can be quickly installed and have a very flexible use.
    10
     
    Nov
     
    2014
    The various process steps during repair operations (from bottom to top):<br/>1. Coarsely-sanded surface<br/>2. Finely-sanded surface<br/>3. Result Renocare C<br/>4. Result Renocare Special with a new plastic laminate<br/>
    The various process steps during repair operations (from bottom to top):<br/>1. Coarsely-sanded surface<br/>2. Finely-sanded surface<br/>3. Result Renocare C<br/>4. Result Renocare Special with a new plastic laminate<br/>

    press article

    Full-face surface repair for PERI Pave production pallets

    After successful tests had been carried out with PERI Pave recently, PERI decided to cooperate closely with PyraTec in future: as a result, the specialist company will now take on the sustainable renovation of PERI production pallets with immediate effect – whilst taking into account the high PERI quality standards.
    04
     
    Nov
     
    2014
    An important part of the PERI overall concept was also providing perfectly matched formwork and scaffolding systems.
    Planning, assembly and material allocation were ideally coordinated to suit the construction schedule.
    The use of the 3D formwork elements on the jobsite was similar to that of system formwork – supported by easily implementable utilization plans.

    press article

    Trend-setting forming

    A customized PERI formwork and scaffolding solution with 3,500 project-specific special formwork elements ensured that the realization of an extraordinary museum was carried out within the specified time-frame and budget.
    01
     
    Oct
     
    2014
    Determining the climbing axes required a well thought-out planning process in order to avoid any collisions with the stay cable boxes.
    The two A-shaped inclined bridge pylons of the spectacular Bosphorus Bridge steadily rise up into the air with the PERI ACS climbing formwork system finally reaching a height of over 300 m.
    A further challenge is adapting the formwork to the changing dimensions and positioning of the steel mounting parts for guiding the stay cables. The complete solution from PERI meets the strict requirements regarding high flexibility and dimensional accuracy.

    press article

    Highest concrete bridge pier in the world with PERI ACS self-climbing formwork

    In the north of the Turkish metropolis, the third and largest bridge is currently being built across the Bosphorus. The suspension bridge is supported by two A-shaped pylons and reaches a height of around 330 m thus making it one of the highest in the world. The construction of the upper area of the two piers is being carried out in 21 concreting sections, each 4.60 m.
    11
     
    Sep
     
    2014
    PERI offers various apps and tools for day to day operations on the construction site for a variety of end devices. The focus is always on the benefits for day-to-day operations on the construction site; all apps deliver concrete added value to the user.

    press article

    PERI Apps make construction site operations easier

    PERI has developed resp. updated three of its helpful apps for formwork and scaffolding: Formwork Load Calculator, MULTIFLEX Configurator and ST 100 Stacking Tower Configurator are now available on the website featuring an extensive range of benefits.
    01
     
    Sep
     
    2014
    The grandstand-style, almost 50 m high university campus building has the effect of a steep, artificial cliff when viewed from the motorway, and cascades downwards in a series of steps in a southern direction. (Illustration: Gafton Architecs)
    VARIO GT 24 and CB climbing platforms complement the PERI concept and provide a comprehensive project solution.
    The grandstand-style arrangement of the floors, along with the reverse-inclined north facade, required very detailed formwork and scaffolding planning by the PERI engineers.

    press article

    Grandstand-style campus realized in a short construction period

    With the help of a customized PERI formwork and scaffolding solution, a new university campus is being constructed in the capital of the South American country of Peru – complete with high architectural requirements as well as having to maintain a short construction period.
    01
     
    Aug
     
    2014
    Warsaw Spire: Three structures form the new building complex in the Polish capital. The 220 m high office tower is very distinctive due to its special shape; the floors feature an elliptical ground plan which varies from floor to floor.
    For all reworking on the building facades, PERI has provided PERI UP Rosett facade scaffolding. This scaffold system has also been designed for fast assembly and safe working conditions.
    The proven SKYDECK system supports rapid and systematic forming of large slab areas. For the flanking office buildings, the aluminium panel slab formwork is supplemented with slab tables.

    press article

    Quickly and safely to the top with optimally adapted climbing technology

    In Warsaw, the Warsaw Spire office complex is currently being constructed. The 220 m high, waist‑like office tower complete with elliptical ground plan characterizes the appearance of the building ensemble; the tower is flanked by a 55 m high building on each side. PERI has planned and supplied the complete formwork and scaffolding solution for the complex.
    01
     
    Jul
     
    2014
    The VARIOKIT formwork carriage served to brace the single-sided concreted walls as well as providing a support system for the edge beams. Load transfer during the realization of the massive reinforced concrete slab in the final phase of construction was also carried out by means of a movable VARIOKIT construction.
    The formwork carriage for the bottom section was designed as a two-piece construction so that the top half of the carriage could also be used for the other two upper levels – without time-consuming and expensive assembly work.
    PERI TRIO, VARIO GT 24, SB Brace Frame, MULTIFLEX, MULTIPROP and PERI UP formwork and scaffold systems supplemented the comprehensive project solution.

    press article

    System-based project solution saves time and money

    The formwork and scaffolding solution provided for the construction of the new subway station in Seattle was the result of competent engineering and a project-specific construction kit system. In addition to the widest possible use of rentable PERI system components, the optimized construction method in particular ensured significant time and cost savings.
    03
     
    Jun
     
    2014
    In order to form a massive arched slab in the turbine building, PERI engineers planned a cost‑effective support structure consisting of rentable system components taken from the VARIOKIT engineering construction kit.
    The base area of the turbine structure measures 30.50 m x 12.00 m, and is characterized by its massive walls, beams and slabs. The proven, load‑bearing GT 24 girder with high bending stiffness is one of the main components used for the project‑specific formwork.
    The PERI UP modular scaffolding forms the shoring for up to 5.30 m high slab in the turbine building. The legs are simply bundled together in areas of high load concentrations – the system can therefore be optimally adapted to suit the loads.

    press article

    Test of strength for PERI formwork and scaffolding

    The Energy Financing Team (EFT) is currently constructing the Stanari coal powered power plant near Doboj. PERI supplies two of the building contractors involved with a customized formwork and scaffolding solution. In addition to the materials, it is the technical preparation done by PERI engineers that provides extremely helpful support thus ensuring efficient project execution.
    28
     
    Apr
     
    2014
    The materials for the PERI plywood sheets come from social and sustainable forestry operations - this is verified through the internationally recognized PEFC and FSC seals of approval.
    The biomass power plant at its production site in Weissenhorn is a symbol for sustainable actions at PERI. Using wood chips - a waste product from the girder production - heat and power are generated at the power station for the whole facility.
    The biomass power plant at its production site in Weissenhorn is a symbol for sustainable actions at PERI. Using wood chips - a waste product from the girder production - heat and power are generated at the power station for the whole facility.

    press article

    Seal of approval: Recognizing an ecological manufacturer

    A positive example for ecological and sustainable developments is the formwork and scaffolding manufacturer PERI, whose material for its plywood sheets originates from sustainable forests. The forest areas where the raw materials come from are reforested after every harvest – this is verified through the PEFC and FSC certifications.
    03
     
    Apr
     
    2014
    The RCS climbing protection panel completely encloses the building´s outer edges thus guarateeing safe working conditions for the construction team at all times.
    For the internal formwork of the circular-shaped core wall, a combination consisting of the ACS G and P versions are used – optimally adapted to suit the geometric conditions of the ISET Tower.
    The elevator shafts are arranged in the centre of the building´s core. Due to the restricted dimensions, self-climbing ACS S shaft formwork is being used for these walls.

    press article

    Project-specific climbing solution with practical adaptation

    A customized PERI climbing formwork solution has been supporting the rapid construction progress on the ISET Tower in Yekaterinburg. The formwork concept has taken into account the high wind loads as well as the variable number of elevator shafts with varying dimensions.
    05
     
    Feb
     
    2014
    PERI is supporting the fast construction progress with over 6,000 slab tables as well as comprehensive formwork solutions, also for the walls and columns. As of 2017, up to 30 million passengers will be handled annually.
    For forming the up to 12.50 m high reinforced concrete walls, VARIO GT 24 girder wall formwork provides a maximum level of adaptability through the variable arrangement of lattice girders, steel walers and tie positions.
    In order to process over 1,000 m³ every day, huge numbers of personnel and material are required.

    press article

    Over 6,000 slab tables in continuous use at the Midfield Terminal project

    PERI has provided yet another convincing performance with the construction of the Midfield Terminal at Abu Dhabi International Airport with the delivery of enormous amounts of materials at short notice as well as competent engineering for the related formwork and scaffolding planning.
    05
     
    Dec
     
    2013
    Depending on the jobsite conditions, the publisher ztv Verlag determined working time values of between 0.15 h/m² and 0.38 h/m² when using Maximo. This means up to 50 % time-savings compared to conventional panel formwork.
    In November 2013, the fully revised &quot;Formworking, Panel Formwork Walls Columns&quot; section of the &quot;Arbeitsorganisation Bau&quot; handbook was published.<br/>(Image: ztv Zeittechnik-Verlag GmbH)<br/>
    Efficient: the specially-designed MX tie means one sided – without a worker on the opposite side – assembly operations and is used without spacer tubes and cones.

    press article

    Documented efficiency: shuttering times reduced by 50 % with Maximo

    The reference times featured in the "Arbeitsorganisation Bau" handbook are a valuable basis for construction site calculations in Germany. With Maximo, the latest edition on panel formwork contains for the first time a system with one-sided tie technology – which has been proven to save up to 50 % on workload.
    02
     
    Dec
     
    2013
    On the forward and reversed-inclined outer walls, the rail-guided RCS formwork is climbed by means of mobile hydraulic units; the CB climbing formwork on the front sides is moved to the next casting segment by crane. For this project, this combination provides the optimum solution regarding speed and material costs.
    In the lower part, a cross connection for the pylon legs serves as bracing; the legs converge a few metres below the head.
    Two 75 m high, A shaped pylons carry the three main bridge segments with a total length of 420 m. Efficient construction has been ensured by PERI engineers by combining the CB and RCS climbing systems to create a customized formwork solution.

    press article

    Formwork solution for pylons and bridge superstructure from one source

    The bridge over the Drava river is part of the realization of the 90 km long A5 motorway development in eastern Croatia. Peri planned and delivered not only a cost-effective climbing formwork solution for the construction of the up to 75 m high bridge pylons, but also the concept for the creation of the piers and the parapet solution for the foreshore bridges.
    04
     
    Nov
     
    2013
    The Eemshaven power plant (left in photo) plays an important role in the modernisation and guaranteeing the electricity supply in the Netherlands – in combination with the utilisation of wind and solar energy.
    The scaffolding planning and assembly took into account the existing steel structure – allowing maximum adjustment to suit the structural circumstances.
    The 75 cm working width can be adapted on the inside in 25 cm increments whilst, on the outside, integrated flights of stairs provide optimum accessibility to all scaffolding levels.

    press article

    High level of working safety for scaffold assembly and use

    As part of the planned construction of the new power plant, the Peri Up Rosett Flex has proved to be extremely adaptable during the assembly phase – in so doing, it has fulfilled the highest requirements regarding the installation of the working platforms. The fact that the modular scaffolding can be assembled with the guardrail in advance means that the safety level required during scaffold erection is already guaranteed to a high degree.
    01
     
    Oct
     
    2013
    The La Défense 2015 planning for the office district at the entrance to Paris includes a range of refurbishment projects and new buildings. Examples are the Hotel Mélia (foreground) and the Tour Majunga (in the background), whose cores are being formed with ACS self-climbing formwork.
    For constructing the floor slabs, the GRIDFLEX slab formwork system is being used. As all components are mounted from the floor below, completely safe assembly is guaranteed.
    The PERI solution also includes a landing platform that provides fast and safe transport of materials up to the next storeys.

    press article

    Made-to-measure climbing formwork solution – all-round enclosure and formwork scaffold

    For the Hotel Mélia in the "La Defense" office district just outside Paris, Peri has developed a climbing formwork solution that not only provides complete enclosure of the structure but also serves as erection support for the precast parapets.
    05
     
    Aug
     
    2013
    A number of technical buildings are required on the tunnel structure. The requirements include 15° inclined walls, rounded corner areas and a specific tie arrangement which have been met through the use of a customized formwork solution with Vario GT 24 girder wall formwork.
    The new 620 m long Nordhavensvej tunnel is being realized using the cut-and-cover method. The walls are concreted against the up to 25 m deep bore pile wall. Following this, the 80 cm slab is concreted by means of a Variokit slab formwork carriage.
    The walls of the tunnel entrances are characterized by their special shape. These areas were formed using project-specific girder wall formwork which included GT 24 formwork girders with special lengths.

    press article

    Customized formwork and scaffolding solution from one source

    Around 620 m of the extensive Nordhavnsvej infrastructure project runs underground. The twin-tubed, rectangular tunnel is being realized using the cut-and-cover method – the walls with Trio panelized formwork in advance followed by the slab formed with the Variokit tunnel formwork carriage. With the customized project solution, the construction team has achieved a three week cycle for the 25 m long concreting sections.
    01
     
    Jul
     
    2013
    The PERI solution with MULTIFLEX and MULTIPROP for forming the circumferential balconies simultaneously functioned as the work scaffold.
    The SKYDECK construction with lightweight main beams and panels provides a systematic assembly sequence and creates space under the formwork.
    The one-sided tie installation procedure of the MAXIMO panel formwork reduced shuttering times as well as ensuring that a neat joint and tie arrangement was achieved.

    press article

    Construction time savings with MAXIMO and SKYDECK

    On the former North Station area, the "Schwarzatal" non-profit real estate developer is currently realizing a very special housing project. The use of modern and efficient formwork systems for the walls and slabs ensured that the very tight completion deadline of only 10 months for the building shell could be met.
    07
     
    Jun
     
    2013
    PERI offers various apps and tools for day to day operations on the construction site for a variety of end devices. The focus is always on the benefits for day-to-day operations on the construction site; all apps deliver concrete added value to the user.

    press article

    Digital solutions with added value

    At bauma 2013, PERI presented a number of new digital innovations which included the launch of the PERI handbook as an application for mobile devices. In addition, the company unveiled applications for determining the concreting speed as well as a configurator for the MULTIFLEX slab formwork designed for use on smart phones and tablets.
    05
     
    Jun
     
    2013
    For more than 50 years, the 120 m high Henninger Tower was the landmark of Frankfurt. Currently being demolished, PERI UP protection scaffolding erected around the beer barrel-shaped revolving restaurant ensures safe working operations.
    Six of the 18 high-rise buildings which could be vistied during the festival were realized with the help of comprehensive formwork and scaffolding solutions from PERI.
    The fifth Skyscraper Festival in Frankfurt at the end of May was a complete success with around one million visitors attending the event.

    press article

    A hugely impressive appearance - PERI UP at the Skyscraper Festival

    In May 2013, the fifth Skyscraper Festival in Frankfurt am Main took place. 18 high-rise buildings opened their doors to the general public and countless other programme highlights thrilled and entertained more than a million visitors.
    03
     
    Jun
     
    2013
    Safe and convenient: PERI UP Rosett Flex Steel alternating staircases with 1.00 m step widths and separate landings.
    Optimal jobsite results: PERI climbing formwork solution with CB climbing platforms and accurately rounded VARIO GT 24 wall formwork.
    Type-tested and a high level of safety in all operational areas: PERI CB 240 and CB 160 climbing scaffold systems on the inside and outside respectively.

    press article

    High quality in continuous 2-week cycles

    Using a PERI climbing formwork solution precisely tailored to meet the project requirements and reduced material requirements, nine silos grew steadily upwards in regular 2-week cycles. Ready-to-use elements supplied directly from the PERI formwork assembly hall ensured dimensional stability.
    03
     
    May
     
    2013
    The newly developed longitudinal girder consists of a lightweight travelling beam and V-posts. As the VARIOKIT grid dimensions of 125 mm formed the basis for this new construction, this provides improved adaptability. The new system hydraulics have been developed to deal with the tough daily working conditions in tunnel construction.
    Fewer anchors thanks to new technology: a new unit which facilitates easy release of the anchors – also when under fill load – allows the use of strengthened walers and DW 26 ties for the wall formwork.
    A tunnel formwork carriage formed the main entrance to the purpose-built PERI exhibition hall during bauma 2013. The basis of the whole construction is the VARIOKIT engineering construction kit. With the new system components, the solutions are now even more cost-effective and easier to assemble.

    press article

    Increased profitability for VARIOKIT tunnel formwork carriage

    At this year's bauma, PERI presented new system components and a wide range of further developments for formwork and scaffolding technology. Also the tunnel formwork carriage exhibited at the fair is characterized by detail improvements that have been designed to increase the cost-effectiveness and accelerate the assembly.
    03
     
    May
     
    2013
    The hydraulic cylinder in the base allows the deformation-controlled lowering of props under load as well as planned torque-controlled pre–tensioning which is required for shoring in reconstruction projects.
    The new, 4-legged heavy-duty prop consists mainly of standard system components taken from the PERI UP Rosett Flex modular scaffolding system. It is used for transferring concentrated loads of up to 200 kN.
    Through the integrated smooth-running mechanism, the Keder sheeting can be evenly pulled across the complete width on rollers. In addition, optimized Keder tracks and couplings reduce friction and thus the amount of physical effort required.

    press article

    Innovative technology, comprehensive solutions and customer-oriented presentations

    The complete range of scaffolding applications was presented along with new system components and numerous further developments. The exhibition offered prospective customers the best opportunity to learn more about the proven and innovative technology as well as PERI services in greater detail. The entire week of the fair in Munich was characterized by an extremely positive feedback from the industry.
    02
     
    May
     
    2013
    In addition to the simple and quick application of the PERI systems, safety on the jobsite in particular played an important role. This was impressively demonstrated to the visitors from home and abroad through on-going live demonstrations.
    Getting to know site-compliant and intelligently-designed system functionalities was the main focus of attention for many visitors. Thus, for example, the space provided for the MAXIMO wall formwork was always more than well attended.
    Inside the hall, visitors found a bright, attractive architecture and a friendly atmosphere – as well as the latest formwork and scaffolding technology which was expertly explained by the PERI specialists along with a full programme of live demonstrations.

    press article

    Impressive performance with extremely positive feedback at the world´s biggest fair

    More than 530,000 visitors from over 200 countries attended bauma 2013. Every third visitor to the fair visited the purpose-built PERI exhibition hall which was located on the Open-Air Area North. On over 4,000 square metres, the Weissenhorn-based company presented proven formwork and scaffolding systems as well as numerous innovations.
    23
     
    Apr
     
    2013
    The MAXIMO with the one-sided installed tie technology continued to be the centre of attention of the wall formwork.
    The MAXIMO with the one-sided installed tie technology continued to be the centre of attention of the wall formwork.

    press article

    Innovative technology, comprehensive solutions and customer-oriented presentations at bauma 2013

    At this year´s bauma, PERI presented a number of new formwork and scaffolding systems as well as a wide range of further developments. On an area of over 4,000 m², the exhibition offered visitors the opportunity to learn more about proven and innovative technology at first hand.
    15
     
    Apr
     
    2013
    For forming the undulating roof construction, movable slab tables on PERI UP intermediate platforms are being used.
    Due to the metric basic grid dimensions, the PERI UP Rosett Flex scaffolding sub-structure could be optimally adapted to suit the different contact areas.
    Rentable VARIOKIT and MULTIPROP system components form the site-compliant basis for the movable, form-giving slab tables.

    press article

    Undulating roof construction efficiently formed

    An undulating roof structure is being formed by means of longitudinally movable slab tables at a height of 20 m. The project solution developed by PERI´s Argentine engineers fulfils the high architectural concrete requirements as well as maintaining the short construction period from an economic point of view.
    04
     
    Mar
     
    2013
    The Evolution Tower is part of Moscow’s up-and-coming, international trade centre – “Moscow City” – realized with PERI know-how.
    The site management team from Renaissance Construction standing proudly in front of the elegantly twisting Evolution Tower.
    Even the landing platforms are rail-climbed – and without any crane support due to the use of the mobile RCS climbing hydraulics.

    press article

    Twisted floors in weekly cycles

    Every week, Moscow´s new landmark is gaining 4.30 m in height – with each completed floor twisted 3° in relation to the preceding one. For this, PERI engineers developed a crane-independent formwork concept on the basis of the RCS and ACS self-climbing technology.
    04
     
    Feb
     
    2013
    Realization of the three-cell cross-section is achieved using the incremental launching method by means of three sets of tunnel formwork as horizontal moving device.
    The finished tunnel tubes with lengths of 180 m are moved from the field factory into a dry dock, sealed with bulkheads and lowered gradually to reach sea level. Pontoons stabilize the tunnel sections during towing operations to the lowering point in the South China Sea.
    A total of 33 tunnel elements will be produced using two production lines: each 180 m long, 38 m wide, 11.40 m high and weighing 72,000 t.

    press article

    Incremental launching forming machine for the world´s longest underwater tunnel

    With the help of PERI know-how, the longest underwater tunnel in the world is currently under construction in China. Two hydraulically-operated shuttering machines are being used for the efficient realization of 33 tunnel elements by means of the incremental launching method. Each standard element is an incredible 180 m long and weighs over 70,000 t.
    16
     
    Jan
     
    2013
    The Screw-On Sleeve M16/164 is inserted into the fresh concrete requiring only two turns of the sleeve and applying gentle pressure. The end cap is used here as a handhold and reliably protects the inner thread. The slab feet for the PROKIT side protection can be securely mounted by means of commercially available M16 bolts without any subsequent drilling.
    The Pallet EP 110 for transporting the side mesh barriers features a removable frame and provides space for 25 barriers. It allows safe and space-optimized transport, and is stackable.
    Through the individualised colour design of the safety barriers, the PROKIT side mesh barriers offer advertising options along with securing open building edges – without any extra effort on the part of the contractor.

    press article

    Construction-compliant accessories for the PROKIT safety system

    For the PROKIT EP 110 safety system, additional system components are now available: a pallet which greatly facilitates logistics operations for the side mesh barrier as well as a plastic screw-on sleeve that is used for easy mounting of the slab feet.
    07
     
    Jan
     
    2013
    The four-storey cultural and event centre extends majestically upwards and dominates the site of the former main station.
    CB 240 framework brackets are connected with TRIO panel formwork to form large-sized climbing formwork units.
    The angular arranged shear walls are up to 37 metres high and are obliquely-cut in part in the bottom third of the structure.

    press article

    Perfectly combined systems: safety and quality during the entire construction

    Ideally combined systems form the basis for efficient and cost-effective construction work. With this very much in mind, PERI engineers tailored their formwork and scaffolding solution to precisely match the project requirements for the construction of the sculpture-like "CaixaForum".